Research-led digital heritage work
Recover hidden detail from objects, monuments, inscriptions and recordings
I work with archaeologists, museums, archives and heritage organisations to make difficult material clearer to study, interpret and share. That might mean high-resolution 3D scanning of a worn surface, enhancement of faint carvings, restoration of a hard-to-hear recording, or practical AI workflows that help collections and research material become more usable.
Research-led digital heritage work for projects where recording, analysis and interpretation need to work together.


Core Services
Work that helps evidence become clearer

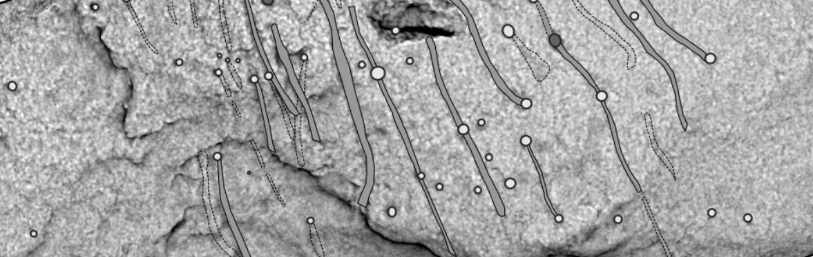
3D Scanning & Surface Enhancement
Reveal worn carvings, inscriptions, tool marks and subtle surface detail through high-resolution 3D capture and interpretative analysis.

Practical AI for Heritage
Use AI in practical, evidence-led ways for transcription, collections work, research support and internal knowledge.

Audio Restoration
Make historic recordings easier to hear, use and understand through careful restoration, enhancement and transcription support.
Why this work matters
More than digital outputs
The point is not simply to produce a model, a cleaned recording, or an AI workflow. It is to make evidence easier to examine, discuss and learn from.
For objects and monuments that are worn, weathered or hard to read
For recordings and archives where noise obscures meaning
For collections and research material that need clearer access and interpretation
About the practice
A good fit for projects that need careful interpretation
My work is with archaeologists, curators, archivists, conservators and researchers who need more than a technical output. My role is to help clarify difficult evidence, choose methods thoughtfully, and produce results that contribute to interpretation as well as documentation.
My background in archaeology and digital heritage has been built through years of work with museums, archives, monuments, inscriptions and recorded heritage. I bring both technical experience and an interpretative understanding of how subtle detail can change what we are able to see, read and know.
Have a project in mind?
If you are dealing with a difficult surface, a hard-to-hear recording, or heritage material that needs clearer interpretation, I’d be glad to hear about it.